welcome
Work
Reports
Lumen HQ
Portfolio
CV
Contact
welcome
Work
Reports
Lumen HQ
Portfolio
CV
Contact
Hauwa Muhammad

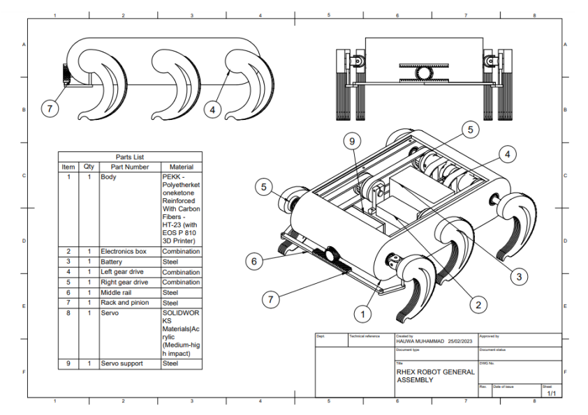
rHex Robot

rHex robot work

You may also like

Sensoro Report
2023
FEA Tandem Bike Report
2023
CereblaLink
2024
Carbon Neutral House Report
2023
↑Back to Top